Programme
~NN
- Nicht eingeordnete Programme
~NN/. [Diese Dateien müssen noch eingeordnet werden]
ASM
- 8051 disassembler version 2.2.
- ASM/d51v22.zip
- 8051 Macro Assembler v4.02a by 2500 A.D. Software
- ASM/x8051.arj
- ASS51 - Crossassembler fur die Micro-Controller-Familie MCS51 v1.40
- ASM/ass51_14.arj
- Assembler for 80535-type
- Assembler for 80535-type(804x,805x) processors v1.0 with Pascal source
- ASM/asm535.zip
- C source for an 8051 assembler, and a simple monitor from Ken Stauffer.
- ASM/AS31.ZIP
- CAS -- The 8051 C-Assembler
- CAS -- The 8051 C-Assembler, full-featured one-pass 8051 assembler for MCS-51 family + 8051 DISASSEMBLER. All with C source
- ASM/assem.zip
- Eine Sammlung von Assemblern für verschiedene CPUs
- ASM/Frankasm.zip
- Fast 3 pass 8051, 8048 and Z80 disassembler.
- Fast 3 pass 8051, 8048 and Z80 disassembler. *** UPDATED *** by Jeffery L. Post - This file was updated here at 03/14/99.
- ASM/d51V26.zip
- MetaLink's 8051 family macro assembler. (used in most of our app notes)
- ASM/ML-ASM51.ZIP
- Natural software systems - 8051 assembler ????
- ASM/as51intl.arj
- Natural software systems - 8051 assembler v1.00
- ASM/a51.arj
- New and updated derivative model files for the MetaLink 80C51 assembler.
- ASM/models2.zip
- PseudoSam 8051 Cross Assembler
- PseudoSam 8051 Cross Assembler, V1.4.09 Assembler for 8051, write your .asm files with 8051 instructions and this assembler will generate the intel hex format file suitable to be uploaded to the 8051 memory
- ASM/A51.ZIP
- Table driven assembler for 8051, 8048, and other processors.
- ASM/tasm28.zip
- The 8051 assembler I use. That's it.!!! by Wolfgang Heinz
- ASM/asem-51.zip
- Unbekannt
- ASM/tasm30.zip
- Unbekannt
- ASM/m8051.zip
- Unbekannt
- ASM/d51v20b.zip
- Unbekannt
- ASM/cas.zip
- Unbekannt
- ASM/asm51.zip
BAS
- BASIC-52 for 8031/8051 in external EPROM
- BAS/BASIC31.ZIP
- Converts IBM BASIC to '51 assembly.
- BAS/BAS051.ZIP
- MetaLink ASM compatible tiny BASIC.
- BAS/TB51ML23.ZIP
- Source files for BASIC-52 interpreter.
- BAS/BASIC-52.ZIP
- TinyBASIC for 8031, w/ source files.
- BAS/TB-51.ZIP
- Unbekannt
- BAS/tb-51.zip
- Unbekannt
- BAS/basic31a.zip
C
- AvCase-51 Demo C compiler
- C/avc51.arj
- C51 - Keil C Compiler
- C51 - Keil C Compiler Demo for 805x Microprocessor family with RTX tiny real-time multitask kernel
- C/keil8051.zip
- C51 compilers v3.20 and dScope-51 v5.01 (demo version)
- C/keilcd12.arj
- Demonstration version of the HI-TECH C compiler
- Demonstration version of the HI-TECH C compiler for the 8051 family. Limited 2 modules per project, each module limited tp 500 lines of generated assembler or 512 bytes
- C/51demo.exe
- Demonstration version of the HI-TECH C compiler for the Philips XA microcontroller
- C/xademo.exe
- Freeware demo version of a commercial HI-TECH C cross-compiler for (among others) the 8051.
- C/z8051h83.exe
- MI-C C for 8051 v5x21
- C/c51.arj
- Unbekannt
- C/SDC51.ZIP
DEB
- 80C51 code debugging tool from Axxon.
- DEB/DEBUG51.ZIP
- A re-written and expanded 8031 monitor based on Ron Stubbers' original one.
- DEB/MONPLUS.ZIP
- Combined RS751/DEBUG51 for RT apps.
- DEB/DB51KS.EXE
- EX8032 - DAS hochflexible Experimentiersystem mit 8032-Mikrocontroller
- DEB/ex8032.zip
- MONITR552 RTC-552 System Monitor v1.2
- DEB/mon552.asm
- PAULMON 8051 Debugger by Paul Storffregen (asm source)
- DEB/paulmon1.arj
- Simple minded monitor in C.
- DEB/MON.C
- Simple minded monitor in C.
- DEB/mon.zip
- Simple monitor routines for the 8031 with PseudoSam assembly source.
- DEB/MON31-11.ZIP
- Small background monitor (614 bytes) for 8051
- DEB/bm51.zip
- The 8052 rudimentary Debugger
- DEB/debug.zip
- Unbekannt
- DEB/pds225a.zip
- Unbekannt
- DEB/pds221.exe
- Unbekannt
- DEB/debsrc.zip
- Unbekannt
- DEB/Add8051.zip
DIS
- 8048 Family Disassembler.
- DIS/DIS_8048.ZIP
- 8751 code disassembler v1.2
- DIS/dasm51.zip
- DataSync's latest 8031/51 disassembler.
- DIS/DIS8051F.ZIP
- Disassembler for intel hex generated files
- DIS/DIS8051.ZIP
- Fast 3 pass 8051 disassembler.
- DIS/D51.ZIP
- Gary's Disassembler for the 8051 family of microprocessors v2.02
- DIS/gd8051.zip
DOC
- Microcontroller overview presentation in a Windows Powerpoint file.
- DOC/PPTA.ZIP
- Microcontroller technical presentation in a Windows Powerpoint file.
- DOC/PPTB.ZIP
- Unbekannt
- DOC/dealers.txt
- Unbekannt
- DOC/C51PRIM.ZIP
- Unbekannt
- DOC/C51PRHTM.ZIP
- Unbekannt
- DOC/8051inf.txt
- Unbekannt
- DOC/51hack.zip
- Unbekannt
- DOC/SUPTLIST.TXT
- Unbekannt
- DOC/8051faq.txt
EXA
- "Music box" program for 87C750
- Contains reusable code to generate auio tunes and do timing
- EXA/music750.zip
- 751 code for the 7-bit digital video demo board.
- EXA/FRAME10.ASM
- 8031 BASED TELEPHONE # PULSE DIALER
- EXA/dialer.zip
- 80C31 code to generate DTMF and signalling tones BUSY, RING-BACK, etc.
- EXA/dtmf.zip
- 80C552 C declarations for Franklin C.
- EXA/regc552.h
- 80C552 declaration for Franklin asm.
- EXA/reg552.inc
- 87C751 serial stream generator.
- EXA/SERIAL_1.ASM
- 8xC451 code (from AN417) for a 256K printer buffer. Schematic in data book.
- EXA/PRN256K.ZIP
- 8xC751 serial stream generator.
- EXA/SERIAL.ZIP
- A/D code for the `C552.
- EXA/AD1.ASM
- C routines for PCF8584 with application note AN95068
- EXA/pcx8584.exe
- Ceibo DS750 board usage notes (Ver 1.3 software)
- EXA/ds750.use
- CRC check sums/ 9-bit RS-232, RS-422, RS-485
- EXA/crc.zip
- Decoding IR Remote controls with 8052
- EXA/ir-cntrl.zip
- Demo of extra external interrupts on C51 from AN420.
- EXA/intrupts.asm
- Demo of Integrated Development Environment of the Philips PDS-51 emulator for the 80C51 family.
- EXA/pds221.exe
- Demo program to distinguish warm & cold start conditions on 80C51 based parts.
- EXA/WARMBOOT.ZIP
- Demo program with a sample font and asm definitions for 8xC054 (MTV).
- EXA/MTV.ZIP
- Demonstration program for the A/D and PWM features of the 8xC752.
- EXA/DEMO752.ASM
- Displays the contents of the S87C752 A/D SFRs.
- EXA/coffey.asm
- Duplex software UART code for 751/752 from AN446.
- EXA/dupuart.zip
- EEPROM driver routines for the 8xC851. From app note EIE/AN91009.
- EXA/eeprm851.zip
- Example of automatic baud rate detection from AN447.
- EXA/autobaud.zip
- Example of real time clock fm Sytronics.
- EXA/CLOCK.ZIP
- Examples of Timer I used without I2C on the 8xC751/752 microcontrollers.
- EXA/TIMERI.ZIP
- Examples on how to write a midi controller, the 8051 assemvbler code included is also useful for study on how to control the serial ports and the timers.
- EXA/midi8751.asm
- Fletcher's checksum on an 8051
- EXA/checksum.a51
- Float-Point simple library
- EXA/fpal51.arj
- Font editor for the MTV (8xC054)
- Includes a sample character set
- EXA/MTVFNTED.ZIP
- Ham Radio Keyer Using the 87C752.
- EXA/keyer.asm
- Hex file load and program utilities for 8052 BASIC.
- EXA/hexutil.zip
- Intel HEX to Binary, w/ new features.
- EXA/hexbin.zip
- Interface to a Sharp infrared sensor
- Interface to a Sharp infrared sensor that can receive Phillips RC5 IR control codes, and send it as a string of bits to the uPC.
- EXA/ircon.zip
- Keypad interface, reads keypad and echoes to screen
- EXA/key.asm
- Latest version of software for the LCPX programer.
- EXA/lcpx5x.zip
- Module mouse.a51.
- Module mouse.a51. Firmware design and code for I2C desktop bus Mouse
- EXA/abmouse.zip
- MTV demo code for on-screen display
- MTV demo code for on-screen display. Goes with Circuit Cellar Ink article fm '92.
- EXA/cci6.zip
- Multi-byte math routines for the 8051
- EXA/MATH51.ZIP
- Multimaster I2C code for the 8xC751/752. From app note AN430.
- EXA/MM751.ZIP
- Sample 80C552 subroutines fm Sytronics.
- EXA/SAMPLES.ZIP
- Scroll a message across LCD display
- EXA/lcd.asm
- Simplex UART routines for the 751 & 752.
- EXA/RS751.ASM
- Source code for a fast battery charger using the 8xC751. From app note AN439.
- EXA/battchrg.c
- Source code for an IEEE maze navigating mouse using the 8xC751. From AN443.
- EXA/mazemous.zip
- Source for app note on '752 air flow measurement (AN429).
- EXA/AN429.ZIP
- Stepper Motor Driver
- EXA/drive.zip
- The 8051 Data Collection Unit.
- The 8051 Data Collection Unit. Can handle up to 6 falling edge inputs concurrently at rates up to 400 Hz each
- EXA/data.zip
- Unbekannt
- EXA/ABMOUSE.ZIP
- Unbekannt
- EXA/x2d.asm
- Unbekannt
- EXA/water.zip
- Unbekannt
- EXA/strngout.zip
- Unbekannt
- EXA/morse.asm
- Unbekannt
- EXA/lcdriver.zip
- Unbekannt
- EXA/keys.asm
- Unbekannt
- EXA/float51.zip
- Unbekannt
- EXA/dsm51.arj
- Unbekannt
- EXA/crc1.zip
- Unbekannt
- EXA/canfiles.exe
- Unbekannt
- EXA/51serial.zip
- Updated software for the Philips LCPX5X40 EPROM microcontroller programmer
- Updated software for the Philips LCPX5X40 EPROM microcontroller programmer. Adds support for additional devices.
- EXA/lcpx5x40.zip
FLA
- ETOX2 Flash Memory Support
- ETOX2 Flash Memory Support for MCS-51 Microcontroller family VER.2.0
- FLA/51blkdrv.zip
- Unbekannt
- FLA/fldisk1.zip
- Unbekannt
- FLA/fldisk2.zip
FOR
- CAMELFORTH FOR THE 8051
- CAMELFORTH FOR THE 8051 - ALPHA TEST VERSION - 17 DECEMBER 1994. This is an ALPHA TEST version of CamelForth/51, an ANSI Standard Forth for the Intel 8051 family of microprocessors.
- FOR/cam51-11.zip
- Documentation for above
- FOR/f51docs.zip
- eFORTH environment for the 8051.
- FOR/EFORTH51.ZIP
- FORTH for 8031
- FOR/51forth.zip
- FORTH for 8051 family.
- FOR/FORTH51.ZIP
- FORTH System 80C552 ROM Version 2.0.
- FORTH System 80C552 ROM Version 2.0. Non-Standart Forth System for the Signetics 80C552 with ASM source
- FOR/forth552.zip
- F-PC Forth environment for the 8051.
- FOR/XD8051.ZIP
I2C
- 8xC751 Multimaster I2C Routines. (replaces old 'Red Book' code)
- I2C/I2C751MM.ZIP
- ACCESS.bus mouse code from AN445.
- I2C/abmouse.zip
- Code from app note AN425 using the 8584 I2C to parallel bus i/f with the 80C31.
- I2C/i2c8584.zip
- I2C bit banged routines for I2C peripherals including the 8591 A/D.
- I2C/i2cbitst.zip
- I2C drivers for 8xC528 from app note AN438.
- I2C/I2C528.EXE
- I2C drivers for the 8xC552 with a C language interface.
- I2C/I2C552-C.ZIP
- I2C drivers for the 8xC751 and 752. From app note EIE/AN91007.
- I2C/mm751b.exe
- I2C Evaluation Board (part# S87C00K SD) control program (for 8xC751).
- I2C/I2CDEMO.ZIP
- I2C single master code for ANY 8051 type controller. 'Bit bangs' I2C on port pins
- I2C/I2CBITS.ASM
- I2C single master code for ANY 8051 type controller. 'Bit bangs' I2C on port pins
- I2C/i2cbits.zip
- I2C slave routines for the 87C751/752.
- I2C/I2CSLV.ZIP
- IIC_OS multimaster drivers
- Updated IIC_OS multimaster drivers for microcontrollers with byte I2C interfaces (552-type). From application note AN435.
- I2C/an435a.exe
- Interfaces a standard PC/AT keyboard to the I2C bus. From AN434.
- I2C/i2cpckb.zip
- Lets 8xC751 do system init of I2C and other devices (via reset pulse).
- I2C/I2CINIT.ZIP
- Multimaster I2C code for the 8xC751/752. From app note AN430.
- I2C/mm751.zip
- Schematic of I2C printer port adapter.
- I2C/pci12cbd.zip
- Slave I2C functions for 8xC751/752 from AN433.
- I2C/slv751.zip
- Software V3.2 for I2C PC printer port adapter (needs board in order to use).
- I2C/pci12c.zip
- Software V4.00 for I2C PC printer port adapter (needs board in order to use).
- I2C/tv400.exe
- Source code for the app note AN422 on single master I2C with the 8xC751/752.
- I2C/i2capp.zip
- Unbekannt
- I2C/i2c_528.exe
- Unbekannt
- I2C/IIC_OS.ZIP
- Unbekannt
- I2C/i2c_552.exe
- Unbekannt
- I2C/frame10.asm
IDE
- Compass/51 IDE v2.00 Disk 1
- IDE/compass1.zip
- Compass/51 IDE v2.00 Disk 2
- IDE/compass2.zip
- dScope-251 for Windows (tm) Evaluation Kit
- dScope-251 for Windows (tm) Evaluation Kit
- IDE/keil251.zip
- KEIL Software 8051 Evaluation Kit 5.00
- IDE/keil51dm.zip
- Unbekannt
- IDE/ace51_1.zip
- Unbekannt
- IDE/ace51_2.zip
INTEL
- Unbekannt
- INTEL/fxprog.zip
- Unbekannt
- INTEL/hexobj.exe
- Unbekannt
- INTEL/iecm51.man
- Unbekannt
- INTEL/math32.zip
- Unbekannt
- INTEL/fbprog.zip
- Unbekannt
- INTEL/syssw.zip
- Unbekannt
- INTEL/iecm51.exe
- Unbekannt
- INTEL/rism51x.lst
- Unbekannt
- INTEL/rism51x.hex
- Unbekannt
- INTEL/rism51x.a51
- Unbekannt
- INTEL/rism51gb.zip
- Unbekannt
- INTEL/rism51.a51
- Unbekannt
- INTEL/progmr.zip
- Unbekannt
- INTEL/omf51.exe
- Unbekannt
- INTEL/novram.zip
- Unbekannt
- INTEL/weed.zip
- Unbekannt
- INTEL/mcs51fx.zip
- Unbekannt
- INTEL/mcs48tim.zip
- Unbekannt
- INTEL/serial51.pcx
- Unbekannt
- INTEL/singen51.exe
- Unbekannt
- INTEL/emborcad.zip
- Unbekannt
- INTEL/sio51x.pcx
- Unbekannt
- INTEL/sync.zip
- Unbekannt
- INTEL/t51erat.zip
- Unbekannt
- INTEL/mcs51dem.zip
- Unbekannt
- INTEL/mcs51tim.zip
- Unbekannt
- INTEL/51serial.zip
- Unbekannt
- INTEL/d51fx.exe
- Unbekannt
- INTEL/longdiv.zip
- Unbekannt
- INTEL/51dvtool.zip
- Unbekannt
- INTEL/51gbfx.zip
- Unbekannt
- INTEL/51_to_96.zip
- Unbekannt
- INTEL/8xc51xfo.zip
- Unbekannt
- INTEL/ap476.zip
- Unbekannt
- INTEL/basic52.zip
- Unbekannt
- INTEL/blockmov.zip
- Unbekannt
- INTEL/blah
- Unbekannt
- INTEL/apbuilder51.zip
KEIL
- 8-Bit Checksum Calculator
- CHECK8 calculates 8-bit checksums for your BINARY files and optionally stores the checksum in the target file.
- KEIL/check8.zip
- AMAKE Record Purge Utility
- PURGE_AM Removes AutoMake (AMAKE) records from your object files. Some third-party emulators and debuggers cannot handle the amake record types. PURGE_AM only works on OMF-51 object modules generated by the 8051 tools.
- KEIL/purge_am.zip
- AMD Header Files
- Header files for the AMD 80C324, 80C521, 80C541, 80C321, 80C51, and 80C52
- KEIL/amd.zip
- ATMEL Header Files
- Header files for the ATMEL 89C1051, 89C2051, 89C51, 89C52, 89LV51, and 89LV52
- KEIL/atmel.zip
- BINARY to Intel HEX Converter
- Use BIN2HEX to convert BINARY files to Intel HEX files.
- KEIL/bin2hex.zip
- BINARY to Motorola S-Record Converter
- USE BIN2MOT to convert BINARY files into Motorola S-Record files.
- KEIL/bin2mot.zip
- Bootloader Example Code
- This ZIP file contains some example code the shows you for how to create a program with BOOT code in EPROM from 0000h to 7FFFh and an external program in FLASH from 8000h to 0FFFFh. The bootloader and FLASH programming code is not included in this example project.
- KEIL/bootload.zip
- DALLAS SEMICONDUCTOR Header Files
- Header files for the Dallas Semiconductor DS2251(T), DS2252(T), DS5000, DS5001(FP), DS80C310, DS80C320, DS80C323, DS87C520, and DS8XC530.
- KEIL/dallas.zip
- DS5000T Real-Time Clock Routines
- This ZIP includes RTCLOCK.C, a C file that contains routines for reading and setting the real-time clock in the DS5000T. A main program is also included with an example of how to set and read the RTC using the code provided. MicroVision and dScope project and ini files are also included.
- KEIL/ds5rtc.zip
- Intel HEX to BINARY File Converter
- Use HEX2BIN to convert your Intel HEX files into BINARY files. You can use BINARY files with most EPROM programmers and you can easily use them for CRC or checksum calculations.
- KEIL/hex2bin.zip
- Interrupt-Driven Serial I/O Support for printf
- This example program shows you how to use the printf library routine with interrupt-driven serial I/O. Interrupt-driven serial routines are included along with a demo program to printf and getchar some stuff. You can also use scanf with these routines. Serial I/O is handled in a separate file (SIO.C) that you can use in your own programs. Works with any 8051. Ring buffers are located in XDATA but it is easy to locate them anywhere.
- KEIL/intsio.zip
- MON51 HEX file for the MCB520
- This monitor uses timer 2 and serial port 0 with an oscillator running at 11.0592MHz.
- KEIL/t2p0_11.zip
- MON51 HEX file for the MCB520
- This monitor uses timer 1 and serial port 1 with an oscillator running at 11.0592MHz.
- KEIL/t1p1_11.zip
- MON51 HEX file for the MCB520
- This monitor uses timer 1 and serial port 1 with an oscillator running at 33MHz.
- KEIL/t1p1_33.zip
- MON51 HEX file for the MCB520
- This monitor uses timer 2 and serial port 0 with an oscillator running at 33MHz.
- KEIL/t2p0_33.zip
- Motorola S-Record to BINARY File Converter
- Use MOT2BIN to convert your Motorola S-Record files to BINARY files that you can use with most device programmers.
- KEIL/mot2bin.zip
- OKI Header Files
- Header files for the OKI Semiconductor 8xC154, 80c31F, and 80c51F.
- KEIL/oki.zip
- PATHED - Full Path Editor
- This utility lets you add and delete path specifications from the DOS path stored in your environment. It is better than using the PATH variable in your batch files because PATHED searches for the parent environment and manipulates it directly.
- KEIL/pathed.zip
- PCLint Update Files for C51
- This ZIP contains the latest error translator and LNT files for C51.
- KEIL/c51lint.zip
- Printf Semaphore Example with RTX51
- This example project shows how to use semaphores to protect a non-reentrant function like printf. In this example printf is called from multiple tasks. A binary semaphore is used to insure exclusive access to the printf function.
- KEIL/pfsema.zip
- RTX51 Example for the Dallas Semiconductor 320 and 520
- This RTX51 Full example program uses several tasks to toggle pins on PORT 1 on the 320 or 520. This program gives you a short example of how to get RTX51 up and running with these chips. A HEX file is included so that you can program an EPROM and see the bits wiggle. This program works with the Keil MCB520 evaluation board
- KEIL/rtx51-01.zip
- Unbekannt
- KEIL/ek51d1.zip
- Unbekannt
- KEIL/ek51.zip
- Unbekannt
- KEIL/ek51d2.zip
- Unbekannt
- KEIL/ek51d3.zip
- Unbekannt
- KEIL/omf51.zip
LDR
- 8051 Bott Loader v3.0 Boot standart Intel hex format files
- LDR/boot3.asm
- Hex file Load-and-Go using 8051 UART.
- LDR/bootstrp.zip
PASCAL
- Unbekannt
- PASCAL/Pascal51.zip
- Unbekannt
- PASCAL/Pascal_8052.zip
- Unbekannt
- PASCAL/Embedded_Pascal_8051.zip
PLM
- PL/M cross-compiler
- PLM/plm51.zip
- Unbekannt
- PLM/PLM2C.ZIP
- Unbekannt
- PLM/Plm.zip
RTS
- 8052 Real-time multi-tasking executive
- RTS/kernel.zip
- Unbekannt
- RTS/Terse.zip
- Unbekannt
- RTS/rtos.zip
- Unbekannt
- RTS/pcm.zip
SCHARL
- Full Screen Debugger für µProfi-51
- SCHARL/Fsd51.zip
SIM
- 8051 simulator v1.0 by Logical Systems Corporation
- SIM/sim51.arj
- Another simulator, this one is in pascal and it's not so usable and is more copyrighted. This one is in english but you cannot use the serial ports or interrupts
- SIM/v12.zip
- EMILY52 release 1.3
- EMILY52 release 1.3, 8051/8052 simulator/emulator from Dunfield Development Systems (fully functional, except that it does not provide support for the hardware emulation or serial redirection)
- SIM/emily52.zip
- Emul-51(demo), emulators for the 8051 family
- SIM/nohau.arj
- Excellent and recommended 8051 simulator.
- Excellent and recommended 8051 simulator. The program is in german but it's fairly easy to use. Just start the program, upload the intel hex generated file [assembled with a51 for example] and then run the program in the simulator, you can test the timers
- SIM/sim.zip
- HiTech Equipment Corporation 8051SIM (shareware version)
- SIM/sim51em.arj
- Light Version( v2.2) of The 80C166 Simulator by Hitex, HiTOOLS Inc.
- SIM/hisim166.zip
- Light Version( v2.2) of The 80C51 Simulator by Hitex, HiTOOLS Inc.
- SIM/hisim51.zip
- SIM51 v1.03 Simulator/Debugger fur 8051 CPU
- SIM/sim51_04.arj
- Unbekannt
- SIM/simd.zip
- Unbekannt
- SIM/fd51.arj
UTI
- 3rd Party Suppport Information
- UTI/suplist.txt
- 8051 Resource FAQ; Lists Internet ftp sites, 8051 support vendors
- UTI/8051net.zip
- 80C552 C declarations for Franklin C.
- UTI/REGC552.H
- 80C552 declaration for Franklin asm.
- UTI/REG552.INC
- ACE51 disk 1/2
- ACE51 disk 1/2, on-line hypertext documentation and design tools for programming the 8xC51FX devices
- UTI/ace51fx_1.arj
- ACE51 disk 2/2
- ACE51 disk 2/2
- UTI/ace51fx_2.arj
- Converts music to 8052 BASIC PWM program.
- UTI/DEMO_PWM.ZIP
- Enhanced File-Delete for DOS
- UTI/del120.zip
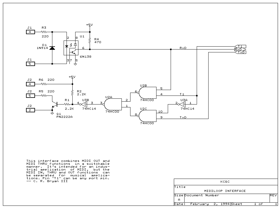
- GIF of schematic showing example hardware to interface 8051 to MIDI.
- UTI/midiloop.gif
- Hex to bin, bin to hex, and hex to hex conversion, for object file fixes.
- UTI/hexutils.zip
- Modified PL/M-51 library for use with 87C752.
- Modified PL/M-51 library for use with 87C752. The standard library won't work! Source code included. Must have Intel ASM51 and PLM51.
- UTI/plm752.zip
- Orcad library element for 80C451 LCC.
- UTI/80C451
- Program to receive data at serial port COM1,2,3 and store it at a PC Disk File.
- Program to receive data at serial port COM1,2,3 and store it at a PC Disk File. . The cable needs only Tx, Rx and Ground. (Tx is not used). DSR and CTS is checked but if down will not stop the program. DOS command line style, user specify filename, port n
- UTI/com2file.exe
- Program to transfer any PC file to its serial port COM1,2,3.
- Program to transfer any PC file to its serial port COM1,2,3. Easy operation to test or send data to microcontrollers, serial printers, etc. . The cable needs only Tx, Rx and Ground. (Rx is not used). DSR and CTS is checked but if down will not stop the pr
- UTI/copy2com.exe
- Schematic of I2C PC printer port adapter
- UTI/PCI2CBD.ZIP
- Schematic symbol for use with Orcad.
- UTI/80C552
- Self extracting files containing artwork for adapter to allow programming the 87C550 in place of the 87C51.
- UTI/51to550.exe
- Software update for Philips LCPX5X programmer, adds 87C750 support.
- UTI/lcpx.zip
- Software V3.2 for I2C PC printer port adapter (needs board in order to use).
- UTI/PCI2C.ZIP
- TSR help screens with most of the common 8051 device info - handy
- UTI/TUTOR51.ZIP
- Unbekannt
- UTI/aexpdctl.exe
- Unbekannt
- UTI/icache.exe
- Unbekannt
- UTI/prog8252.exe
- Unbekannt
- UTI/new49.gif
- Unbekannt
- UTI/mpe_arc.exe
- Unbekannt
- UTI/misc51.zip
- Unbekannt
- UTI/micronet.zip
- Unbekannt
- UTI/87c654.zip
- Unbekannt
- UTI/ISP.EXE
- Unbekannt
- UTI/aec_isp.zip
- Unbekannt
- UTI/fsisetup.exe
- Unbekannt
- UTI/crc16.exe
- Unbekannt
- UTI/avirtual.exe
- Unbekannt
- UTI/asmproc.exe
- Unbekannt
- UTI/ispdos.zip
- V1.4 firmware for V1.X SPGM-100 prgmrs.
- UTI/SPGMV14.ZIP
- V2.6 firmware for V2.X SPGM-100 prgmrs.
- UTI/SPGMV26.ZIP